Skip to content Skip to sidebar Skip to footer

Economizer For Split System

Green Zones Zoned Air Conditioning Hvac Zoning Plenum Comfort Products

Green Zones Zoned Air Conditioning Hvac Zoning Plenum Comfort Products

Economizer for split system. Dual Zone Mini-Split Systems. Não Perca Tempo e Corra Para As Casas Bahia. Daikin FBQ Economizer Kit with MERV 13 Filter for Small SkyAir FBQ Ducted Mini Splits.

For example in 2015 IECC economizers are NOT required in these situations. Economizer dampers switch to minimum ventilation position. Ad Economize tempo e dinheiro sem sair de casa em um só lugar.

Economizers however are not required in EVERY application. For mixed or discharge air the C7046 or the C7150 can be used. Economizer Fundamentals Economizers reduce air conditioning costs by using outside air OSA for free cooling causing the compressor to run lessair OSA for free cooling causing the compressor to run less.

Os Melhores Preços estão Aqui. Economizer for split system. Compre Online na Casas Bahia e Economize.

Theres also a long list of exceptions to this requirement see inset p. Our products Services. Plug and play modular design gives users flexiblity and allows for non properitary sensors to be used.

Section 651 economizer cooling systems either airside or waterside must be used in all cooling systems with fans. Ad Confira Nossas Ofertas Agora Mesmo. Split System Economizer I went in with a 13 SEER Heat pump.

6-Zone Ductless Mini Split Air Conditioners. Aqui você economiza de verdade e ainda recebe dinheiro de volta no Zoom Cashback.

Hvacquick Airscape Residential Economizer

Hvacquick Airscape Residential Economizer

What Is An Economizer Svach

What Is An Economizer Svach

Hvacquick Airscape Residential Economizer

Hvacquick Airscape Residential Economizer

Ruskin Rooftop Systems Our Products Residential Economizer

Ruskin Rooftop Systems Our Products Residential Economizer

Keeping Cool With Outdoor Air Airside Economizers Achr News

Keeping Cool With Outdoor Air Airside Economizers Achr News

Air Side Economizer Products Energy Star

Air Side Economizer Products Energy Star

Green Zones Zoned Air Conditioning Hvac Zoning Plenum Comfort Products

Green Zones Zoned Air Conditioning Hvac Zoning Plenum Comfort Products

Cooling Best Practices And Economizers Ppt Video Online Download

Cooling Best Practices And Economizers Ppt Video Online Download

Economizers Refrigeration And Air Conditioning Hvac Maintenance Hvac Filters

Economizers Refrigeration And Air Conditioning Hvac Maintenance Hvac Filters

Ruskin Rooftop Systems Our Products Residential Economizer

Ruskin Rooftop Systems Our Products Residential Economizer

Economizer Mixing Box Micrometl Corporation S Blog

Economizer Mixing Box Micrometl Corporation S Blog

Bard Economizer 3 5 4 Or 5 Ton With Honeywell W7220 Jade Control Fits W42ac W42hc W48ac W48hc W60ac W60hc W72ac Models Econ Wd5 X

Bard Economizer 3 5 4 Or 5 Ton With Honeywell W7220 Jade Control Fits W42ac W42hc W48ac W48hc W60ac W60hc W72ac Models Econ Wd5 X

Mechanical Systems San Jose Commercial Hvac Mechanical Services Bay Area Mtech 408 874 0700

Mechanical Systems San Jose Commercial Hvac Mechanical Services Bay Area Mtech 408 874 0700

Hvacquick Airscape Residential Economizer

Hvacquick Airscape Residential Economizer

Hvac 101 The Basics Of Heating Ventilation And Air Conditioning Ppt Video Online Download

Hvac 101 The Basics Of Heating Ventilation And Air Conditioning Ppt Video Online Download

Economizers Energyright

Economizers Energyright

Ddnecnj90150 Downflow Economizer For 7 5 12 5 Ton Daikin Goodman Commercial Package Units

Ddnecnj90150 Downflow Economizer For 7 5 12 5 Ton Daikin Goodman Commercial Package Units

4 5 Hvac System Control Requirements

4 5 Hvac System Control Requirements

Residential Economizer Ec2 Airscape

Residential Economizer Ec2 Airscape

Pdf Economizer Algorithms For Energy Management And Control Systems Semantic Scholar

Pdf Economizer Algorithms For Energy Management And Control Systems Semantic Scholar

Dymola Layout Of The Air Side Economizer Model Ii Extremum Seeking Download Scientific Diagram

Dymola Layout Of The Air Side Economizer Model Ii Extremum Seeking Download Scientific Diagram

What Is An Economizer Aka Mixing Box Economizers Class 101 Micrometl Corporation S Blog

What Is An Economizer Aka Mixing Box Economizers Class 101 Micrometl Corporation S Blog

125 Yx 001 3 6 Ton Split System Economizer Mcdaniel Metals

125 Yx 001 3 6 Ton Split System Economizer Mcdaniel Metals

1

1

Hzeconj18 60 Belimo 7 31 2013 Indd Manualzz

Hzeconj18 60 Belimo 7 31 2013 Indd Manualzz

125 Yx 003 15 25 Ton Split System Economizer Mcdaniel Metals

125 Yx 003 15 25 Ton Split System Economizer Mcdaniel Metals

Hvac Basic Science System Capacity Pdf Free Download

Hvac Basic Science System Capacity Pdf Free Download

Chiller Schematic Showing Refrigerant Side Economizer Bypass Check Download Scientific Diagram

Chiller Schematic Showing Refrigerant Side Economizer Bypass Check Download Scientific Diagram

10 6 Economizer Swep

10 6 Economizer Swep

Supply Air Temperature An Overview Sciencedirect Topics

Supply Air Temperature An Overview Sciencedirect Topics

Economizer Damper And Hood Installation For 15 20 And 25 Ton Manualzz

Economizer Damper And Hood Installation For 15 20 And 25 Ton Manualzz

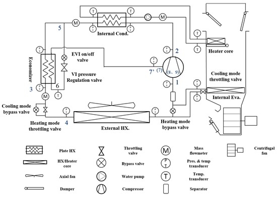
Effects Of Economizer Type And Size To The Gas Injected System Using Zeotropic R32 R1234ze E Mixture Semantic Scholar

Effects Of Economizer Type And Size To The Gas Injected System Using Zeotropic R32 R1234ze E Mixture Semantic Scholar

7 5 12 5 Ton Daikin Downflow Economizer Dcc Dcg Dch Models Ddnecnj90150

7 5 12 5 Ton Daikin Downflow Economizer Dcc Dcg Dch Models Ddnecnj90150

Equipment Layout Of A Transcritical Cascade System With Economizer Download Scientific Diagram

Equipment Layout Of A Transcritical Cascade System With Economizer Download Scientific Diagram

Energies Free Full Text A Study On Electric Vehicle Heat Pump Systems In Cold Climates Html

Energies Free Full Text A Study On Electric Vehicle Heat Pump Systems In Cold Climates Html

2

2

China Industrial Rooftop Packaged Hvac Cooling System With Economizer China Rooftop Packaged Unit Air Conditioner

China Industrial Rooftop Packaged Hvac Cooling System With Economizer China Rooftop Packaged Unit Air Conditioner

4 5 Hvac System Control Requirements

4 5 Hvac System Control Requirements

B W Clean Power Production Success Stories Babcock Wilcox

B W Clean Power Production Success Stories Babcock Wilcox

What Is An Economizer And How Can It Benefit My Commercial Hvac Unit North East Air Conditioning Heating Plumbing

What Is An Economizer And How Can It Benefit My Commercial Hvac Unit North East Air Conditioning Heating Plumbing

Liebert Dse 50 165 Kw Free Cooling System No Water Use

Liebert Dse 50 165 Kw Free Cooling System No Water Use

Fyi Your Hvac Economizer Is Probably Broken Infographic

Fyi Your Hvac Economizer Is Probably Broken Infographic

15 25 Ton Daikin Horizontal Economizer Dcc Dcg Models Dhzecnj180300

15 25 Ton Daikin Horizontal Economizer Dcc Dcg Models Dhzecnj180300

China Rooftop Packaged Unit With Free Cooling Economizer China Rooftop Packaged Unit Air Conditioner

China Rooftop Packaged Unit With Free Cooling Economizer China Rooftop Packaged Unit Air Conditioner

Effects Of Economizer Type And Size To The Gas Injected System Using Zeotropic R32 R1234ze E Mixture Semantic Scholar

Effects Of Economizer Type And Size To The Gas Injected System Using Zeotropic R32 R1234ze E Mixture Semantic Scholar

Ibpsa Org

Ibpsa Org

Cambridgeport Air Systems 1023737 Ultra Low Leak Economizer Carrier Hvac

Cambridgeport Air Systems 1023737 Ultra Low Leak Economizer Carrier Hvac

Rooftop Packaged Unit With Economizer

Rooftop Packaged Unit With Economizer

1

1

Belimo ZIP Economizer provide.

When the exterior air levels are appropriate it uses the outside air to cool your building. We use cookies to improve your website experience. Commercial Split System Economizer Residential Split System Economizer. Public Pricelist Public Pricelist. Economizers recycle energy produced within a system or leverage environmental temperature differences to achieve efficiency improvements. Não Perca Tempo e Corra Para As Casas Bahia. Onboard information integrated for easy setup andor troubleshooting. Save Energy and Money. Não Perca Tempo e Corra Para As Casas Bahia.


Ad Dá um Busca e confira. When the exterior air levels are appropriate it uses the outside air to cool your building. Flexible Addition Simplicity Reliability Easy Programmability Versatile Options The CoolMizer is also the only system. Não Perca Tempo e Corra Para As Casas Bahia. 4 Zone Mini-Split Systems. Daikin FBQ Economizer Kit with MERV 13 Filter for Small SkyAir FBQ Ducted Mini Splits. Dual Zone Mini-Split Systems.

Post a Comment for "Economizer For Split System"